三通換向球閥產品概述
三通換向球閥由L型、T型或Y型三通球閥與驅動裝置組成,適合安裝在氣力輸送系統中用以切換管道中粉體粉料、塑料顆粒、粉粒混合料和片狀料等介質流動方向,其三個通道呈角度布置,一般以中間端為入口,左右兩端為出口。該閥通常采用氣缸為執行機構,以壓縮空氣作為動力源,并經電磁閥與限位開關配合使用來控制驅動裝置帶動球體在閥腔內作90°、180°或120°及135°角行程往復運動,以實現自動換向的功能,它通過電磁閥的通電或斷電來切換輸入到氣缸的氣源進氣點進而控制氣動執行器的轉動方向,而閥芯動作的兩個位置則由安裝在氣動執行器上面的限位開關進行檢測,閥正常工作時,閥芯轉到一個位置,右出料口關上,進料從左出料口出去,當換向指令發出后,閥芯轉到另一個位置,關閉左出料口,進料從右出料口出去,從而使閥門的流向切換達到了自動化控制。本產品閥體和主要部件均為整體鑄造成型,構造堅固,強度高不易變形,尤其Y形流道結構形式設計,使物料通過時順暢,流阻力小,不會形成堵塞。
三通換向球閥部件材料
| 序號 | 部件名稱 | 材料名稱 | ||||
| 1 | 閥 蓋 | WCB | CF8 | CF3 | CF8M | CF3M |
| 2 | 閥 體 | WCB | CF8 | CF3 | CF8M | CF3M |
| 3 | 閥 座 | R-PTFE、PTFE、TEFLON、NYLON、PPL、PEEK、DEVLON、不銹鋼+硬質合金 | ||||
| 4 | 球 體 | CF8 | CF8 | CF3 | CF8M | CF3M |
| 5 | 閥 桿 | CF8 | CF8 | CF3 | CF8M | CF3M |
| 6 | 填 料 | GRAPHITE、R-PTFE、PTFE、TEFLON、PCTFE | ||||
| 7 | 填料壓蓋 | WCB | CF8 | CF3 | CF8M | CF3M |
| 8 | 下 端 蓋 | WCB | CF8 | CF3 | CF8M | CF3M |
三通換向球閥性能規范
| 公稱壓力PN(MPa) | 0.6 | 1.0 | 1.6 | 2.5 | 2.0 |
| 殼體試驗壓力(MPa) | 0.9 | 1.5 | 2.4 | 3.75 | 3.0 |
| 高壓液體密封試驗壓力(MPa) | 0.66 | 1.1 | 1.76 | 2.75 | 2.2 |
| 低壓氣體密封試驗壓力(MPa) | 0.6 | 0.6 | 0.6 | 0.6 | 0.6 |
| 設計制造 | GB/T 12237、GB/T 21385、API 608、ASME B16.34 | ||||
| 結構長度 | 按本廠標準Q/CB的規定或按訂貨合同要求 | ||||
| 連接法蘭 | JB/T 79、GB/T 9113、HG/T 20592、HG/T 20615、SH/T 3406、ASME B16.5等 | ||||
| 檢驗試驗 | GB/T 26480、JB/T 9092、API 598 | ||||
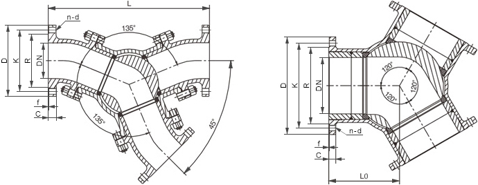
三通換向球閥主要尺寸
| 公稱壓力 PN | 公稱通徑 DN | 外形及連接尺寸/mm | ||||||
| L | L0 | D | K | R | C-f | n-d | ||
| 16 | 40 | 310 | 110 | 150 | 110 | 88 | 18-2 | 4-?18 |
| 50 | 340 | 110 | 165 | 125 | 102 | 18-2 | 4-?18 | |
| 65 | 400 | 130 | 185 | 145 | 122 | 18-2 | 8-?18 | |
| 80 | 410 | 150 | 200 | 160 | 138 | 20-2 | 8-?18 | |
| 100 | 460 | 170 | 220 | 180 | 158 | 20-2 | 8-?18 | |
| 125 | 560 | 190 | 250 | 210 | 188 | 22-2 | 8-?18 | |
| 150 | 660 | 210 | 285 | 240 | 212 | 22-2 | 8-?22 | |
| 200 | 800 | 235 | 340 | 295 | 268 | 24-2 | 12-?22 | |
| 250 | 1030 | 290 | 405 | 355 | 320 | 26-2 | 12-?26 | |
| 300 | 1140 | 350 | 460 | 410 | 378 | 28-2 | 12-?26 | |
| 350 | 1257 | — | 520 | 470 | 428 | 30-2 | 16-?26 | |
| 表中未列出的其他規格尺寸,請咨詢汗越閥門技術部! | ||||||||
三通換向球閥結構圖

本產品可根據工況需要,將兩出口端之間的夾角設計成30°、45°、60°、90°、120°及其他角度等,可配置手柄、蝸輪蝸桿傳動、氣動、電動,液動等。如果你需訂購我廠其他三通球閥系列產品,請注明公稱尺寸、公稱壓力、閥體和內件材料、流道角度、使用溫度、法蘭標準及密封面形式等。

